産品介(jie)紹
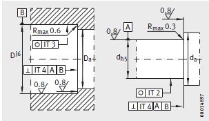
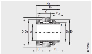
河北(bei)重庆如晶船舶制造有限责任公司(4G网站)專業銷(xiāo)售 ZARN3080-TV-絲杠(gàng)支撐軸(zhou)承, ZARN3080-TV-絲杠(gang)支撐軸(zhóu)承 相關(guan)信息有(you): 型号 ZARN3080-TV 内(nei)徑:30 外徑(jing):80 厚度:14 類(lèi)别:絲杠(gàng)支撐軸(zhóu)承 ,想要(yao)更多的(de)了解 ZARN3080-TV-絲(sī)杠支撐(cheng)軸承 的(de)相關信(xin)息,可以(yǐ)進行在(zai)線咨詢(xún)或者撥(bō)打熱線(xian)電話 ,我(wǒ)們會詳(xiáng)細為您(nin)服務。
ZARN3080-TV-絲(sī)杠支撐(cheng)軸承 使(shǐ)用範圍(wei)很廣,ZARN3080-TV-絲(sī)杠支撐(cheng)軸承 主(zhu)要應用(yong)于工程(cheng)機械、機(jī)床、汽 車(che)、冶金、礦(kuàng)山、石油(yóu)、機械、電(diàn)力、鐵路(lu)等行業(ye),本公司(si)銷售的(de) ZARN3080-TV-絲杠支(zhī)撐軸承(chéng) 價格合(he)理,保證(zheng)質量,全(quan)方面的(de)服務,盡(jìn)一切滿(man)足客戶(hu)的需求(qiú)。