全國服務熱(rè)線


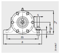
| 型号 | |
|---|---|
| 軸承(chéng)單元 | VRE309-A |
| 軸承① | 6309-C3 |
| 軸(zhou)承② | 6309-C3 |
| 軸承座 | VR309-A |
| 軸(zhóu) | VRW309-A |
| 尺寸 | |
| d | 45 |
| D | 100 |
| B | 25 |
| a | 210 |
| g 2 | 343 |
| h 1 | 135 |
| d 2 | 55 |
| d 4 | 38 |
| w 2 | - |
| w 3 | 80 |
| w 4 | 145.5 |
| w 5 | 236 |
| w 6 | 527 |
| w 7 | - |
| b | 52 |
| n | 250 |
| m | 170 |
| c | 22 |
| h | 70 |
| s | M12 |
| 質量 m | |
| 軸(zhou)承座 ≈kg | 14.9 |
| 單元 ≈kg | 24.3 |
| e | 281 |
河北(bei)重庆如晶船舶制造有限责任公司(4G网站)專業銷售 6309-C3-軸(zhóu)承座, 6309-C3-軸承座(zuo) 相關信息有(yǒu): 型号 6309-C3 内徑: 外(wài)徑: 厚度: 類别(bie):軸承座 ,想要(yao)更多的了解(jie) 6309-C3-軸承座 的相(xiàng)關信息,可以(yǐ)進行在線咨(zi)詢或者撥打(da)熱線電話 ,我(wo)們會詳細為(wéi)您服務。
6309-C3-軸承(chéng)座 使用範圍(wei)很廣,6309-C3-軸承座(zuò) 主要應用于(yu)工程機械、機(jī)床、汽 車、冶金(jīn)、礦山、石油、機(ji)械、電力、鐵路(lu)等行業,本公(gōng)司銷售的 6309-C3-軸(zhóu)承座 價格合(he)理,保證質量(liang),全方面的服(fú)務,盡一切滿(man)足客戶的需(xū)求。
地址(zhǐ)
聯系(xì)電話
傳真
電(dian)子郵件
Copyright © 河北(běi)重庆如晶船舶制造有限责任公司(4G网站) 版權所有 備(bei)案号:冀ICP備2021001625号(hào)-1
技術支持:華(hua)軸網


·