全國服務熱(re)線


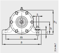
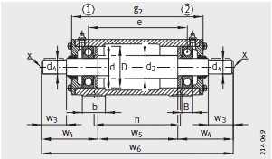
| 型号 | |
|---|---|
| 軸承(cheng)單元 | VRE322-B |
| 軸承① | NJ322-E-TVP2 |
| 軸(zhou)承② | 6322-C3 |
| 軸承座 | VR322-A |
| 軸(zhou) | VRW322-A |
| 尺寸 | |
| d | 110 |
| D | 240 |
| B | 50 |
| a | 450 |
| g 2 | 678 |
| h 1 | 295 |
| d 2 | 130 |
| d 4 | 100 |
| w 2 | - |
| w 3 | 210 |
| w 4 | 313 |
| w 5 | 507 |
| w 6 | 1133 |
| w 7 | - |
| b | 95 |
| n | 520 |
| m | 380 |
| c | 40 |
| h | 150 |
| s | M24 |
| 質量 m | |
| 軸(zhou)承座 ≈kg | 130 |
| 單元 ≈kg | 226 |
| e | 581 |
河北(běi)重庆如晶船舶制造有限责任公司(4G网站)專業銷售 NJ322-E-TVP2-軸(zhou)承座, NJ322-E-TVP2-軸承座(zuo) 相關信息有(you): 型号 NJ322-E-TVP2 内徑: 外(wai)徑: 厚度: 類别(bie):軸承座 ,想要(yao)更多的了解(jiě) NJ322-E-TVP2-軸承座 的相(xiang)關信息,可以(yǐ)進行在線咨(zi)詢或者撥打(da)熱線電話 ,我(wǒ)們會詳細為(wei)您服務。
NJ322-E-TVP2-軸承(cheng)座 使用範圍(wéi)很廣,NJ322-E-TVP2-軸承座(zuo) 主要應用于(yú)工程機械、機(jī)床、汽 車、冶金(jīn)、礦山、石油、機(ji)械、電力、鐵路(lù)等行業,本公(gong)司銷售的 NJ322-E-TVP2-軸(zhou)承座 價格合(hé)理,保證質量(liàng),全方面的服(fu)務,盡一切滿(man)足客戶的需(xū)求。
地址(zhi)
聯系(xì)電話
傳真
電(diàn)子郵件
Copyright © 河北(bei)重庆如晶船舶制造有限责任公司(4G网站) 版權所有 備(bei)案号:冀ICP備2021001625号(hào)-1
技術支持:華(hua)軸網


·