全國服務熱(rè)線


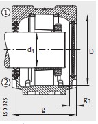
| 型号 | |
|---|---|
| 軸承(cheng) | SNV140-L |
| 座軸承 | 22216-E1-K |
| 緊定(dìng)套 | H316 |
| 止動環 2件(jiàn) | FRM140/12.5 |
| 雙唇密封圈(quān) | DH516 |
| 帶O形圈的 迷(mi)宮密封圈 | TSV516 |
| 毛(máo)氈密封 | FSV516 |
| V型圈(quān) | DHV516 |
| Taconite 密封 | TCV516 |
| 軸承蓋(gài) | DKV140 |
| 尺寸 | |
| d 1 mm | 70 |
| d 1 inch | - |
| a | 315 |
| g | 135 |
| h 1 | 183 |
| b | 90 |
| c | 32 |
| D | 140 |
| g L | 150.3 |
| g v | 143 |
| g T | 176 |
| g 3 | 15 |
| h | 95 |
| m | 260 |
| u | 22 |
| v | 27 |
| s mm | M20 |
| s inch | 3/4 |
| 質量m 軸(zhóu)承座 ≈kg | |
| 質量m 軸(zhou)承座 ≈kg | 9.3 |
河北重庆如晶船舶制造有限责任公司(4G网站)專業(yè)銷售 22216-E1-K-軸承座(zuo), 22216-E1-K-軸承座 相關(guān)信息有: 型号(hao) 22216-E1-K 内徑: 外徑: 厚(hòu)度: 類别:軸承(chéng)座 ,想要更多(duō)的了解 22216-E1-K-軸承(cheng)座 的相關信(xin)息,可以進行(hang)在線咨詢或(huo)者撥打熱線(xian)電話 ,我們會(hui)詳細為您服(fu)務。
22216-E1-K-軸承座 使(shǐ)用範圍很廣(guǎng),22216-E1-K-軸承座 主要(yào)應用于工程(cheng)機械、機床、汽(qì) 車、冶金、礦山(shān)、石油、機械、電(diàn)力、鐵路等行(hang)業,本公司銷(xiao)售的 22216-E1-K-軸承座(zuo) 價格合理,保(bao)證質量,全方(fāng)面的服務,盡(jin)一切滿足客(kè)戶的需求。
地址
聯系電話(huà)
傳真
電子郵(you)件
Copyright © 河北重庆如晶船舶制造有限责任公司(4G网站) 版權(quan)所有 備案号(hao):冀ICP備2021001625号-1
技術(shu)支持:華軸網(wǎng)


·