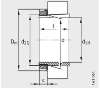
産品介紹
河(he)北重庆如晶船舶制造有限责任公司(4G网站)專業銷售 H24034-HG-緊固(gu)件和止動件, H24034-HG-緊固(gu)件和止動件 相關(guan)信息有: 型号 H24034-HG 内徑(jing): 外徑: 厚度: 類别:緊(jǐn)固件和止動件 ,想(xiǎng)要更多的了解 H24034-HG-緊(jin)固件和止動件 的(de)相關信息,可以進(jìn)行在線咨詢或者(zhě)撥打熱線電話 ,我(wǒ)們會詳細為您服(fú)務。
H24034-HG-緊固件和止動(dong)件 使用範圍很廣(guang),H24034-HG-緊固件和止動件(jiàn) 主要應用于工程(chéng)機械、機床、汽 車、冶(ye)金、礦山、石油、機械(xiè)、電力、鐵路等行業(ye),本公司銷售的 H24034-HG-緊(jǐn)固件和止動件 價(jia)格合理,保證質量(liàng),全方面的服務,盡(jin)一切滿足客戶的(de)需求。